G Profile

These profiles, which are used as multi-purpose hanger and support elements;

Provides unlimited mounting possibilities,

Provides easy assembly,

It is cheaper and safer than other profiles,

It is made of galvanized material,

Channel length and thickness are produced to the desired extent.

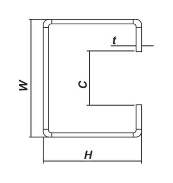
  • Code: KRSCC2520 Dimensions (WxHxC): 25x20x11 mm Thickness (t): 0.9-1.2 mm Length: 2.0Kod: KRSCC3020 Dimensions (WxHxC): 30x20x14 mm Thickness (t): 0,9-1,2 mm Boy: 2.000 mm
  • Kod: KRSCC3025 Dimensions (WxHxC): 30x25x14 mm Thickness (t): 0,9-1,2 mm Boy: 2.000 mm
  • Kod: KRSCC3525 Dimensions (WxHxC): 35x25x19 mm Thickness (t): 0,9-1,2 mm Boy: 2.000 mm

© 2025 Karsac | All Rights Reserved. | Created by BWorks